SKKH92/16E可控硅模块
- 产品品牌 西门康Semikron
- 产品型号 SKKH92
- 产品描述
SKKH92,SKKH92可控硅,SKKH92/16E,SKKH92/16E双可控硅模块,SKKH92/16E可控硅模块,SKKH92可控硅模块...
SKKH92,SKKH92可控硅,SKKH92/16E,SKKH92/16E双可控硅模块,
SKKH92/16E可控硅模块,SKKH92可控硅模块
SKKT 系列双可控硅模块
● SKKH 、SKKL 系列可控硅+二极管混合模块
● SKKD 系列双二极管模块
● SKET 系列单可控硅 模块
● SKKE 系列单二极管 模块
● SKMD 、SKMT 、SKNH 特殊结构 模块
双闸流晶体管模块,SKKT SEMIPACK 1 系列,Semikron
对应额定电压 (单位V)
08E |
12E |
14E |
16E |
18E |
22E |
800V |
1200V |
1400V |
1600V |
1800V |
2200V |
Dual 系列闸流晶体管
认可UL 认证组件
闸流晶体管 - Semikron
闸流晶体管是一种固态半导体设备,具有四层交替的 N 型和 P 型材料。 它们充当双稳态开关,当它们的栅极接收到电流触发时发挥作用,并在处于正向偏压时继续发挥作用。 闸流晶体管与硅控整流器 (SCR) 同义。
带电气隔离底板的密封模块。 适合电池充电器、电焊机、电镀设备以及稳压电源、温度和速度控制电路等应用。
SKKH92/16E 双可控硅模块
产品技术参数:

SKKH92/16E 双可控硅模块
产品技术参数资料

SKKH92/16E 双可控硅模块
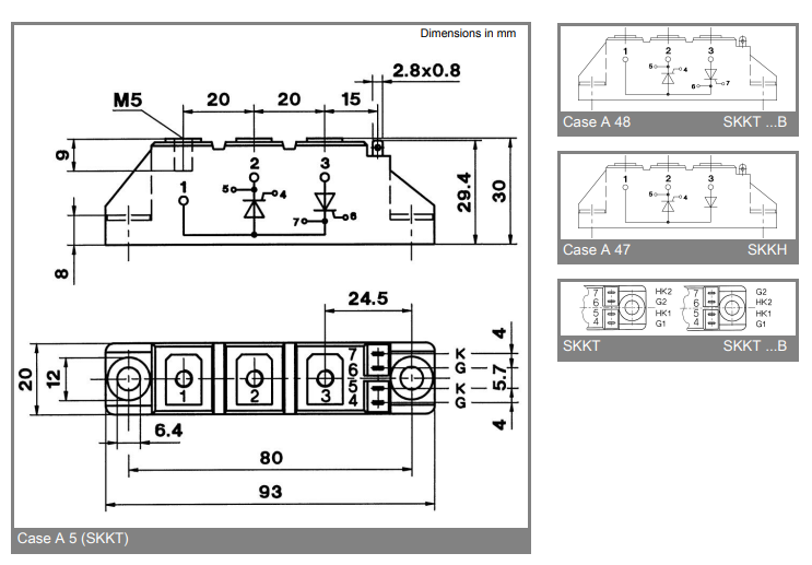
产品安装尺寸图:

SKKH92,SKKH92可控硅,SKKH92/16E,SKKH92/16E双可控硅模块,
SKKH92/16E可控硅模块,SKKH92可控硅模块









