SKMT92可控硅模块/德国西门康Semikron

更新:2026-02-27 17:13:56      点击:
  • 产品品牌   德国西门康Semikron
  • 产品型号   SKMT92
  • 产品描述

    SKMT92,SKMT92可控硅,SKMT92/16E,SKMT92/16E可控硅模块,SKMT92可控硅模块,SKMT92二极管模块...

产品介绍

SKMT92,SKMT92可控硅,SKMT92/16E,SKMT92/16E可控硅模块,

SKMT92可控硅模块,SKMT92二极管模块


●  SKKT 系列双可控硅模块

● SKKH 、SKKL 系列可控硅+二极管混合模块

● SKKD 系列双二极管模块

● SKET 系列单可控硅 模块

● SKKE 系列单二极管 模块

● SKMD 、SKMT 、SKNH 特殊结构 模块


双闸流晶体管模块,SKKT SEMIPACK 1 系列,Semikron

对应额定电压 (单位V)

08E

12E

14E

16E

18E

22E

800V

1200V

1400V

1600V

1800V

2200V


Dual 系列闸流晶体管

认可UL 认证组件

闸流晶体管 - Semikron

闸流晶体管是一种固态半导体设备,具有四层交替的 N 型和 P 型材料。 它们充当双稳态开关,当它们的栅极接收到电流触发时发挥作用,并在处于正向偏压时继续发挥作用。 闸流晶体管与硅控整流器 (SCR) 同义。

带电气隔离底板的密封模块。 适合电池充电器、电焊机、电镀设备以及稳压电源、温度和速度控制电路等应用。


SKMT92/16E 可控硅模块

产品技术参数:


SKMT92/16E  可控硅模块

产品技术参数资料



SKMT92/16E  可控硅模块

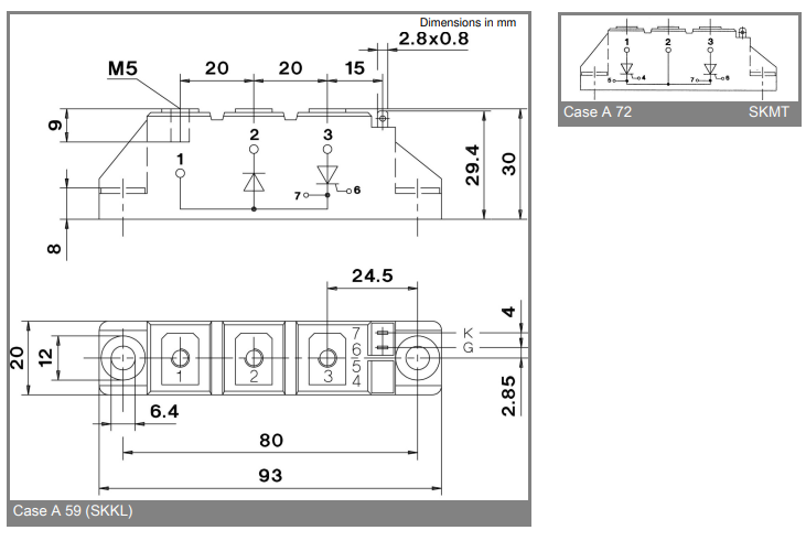
产品安装尺寸图:


SKMT92,SKMT92可控硅,SKMT92/16E,SKMT92/16E可控硅模块,

SKMT92可控硅模块,SKMT92二极管模块

更多产品